Huawei News

Huawei obtained a patent authorization for a braking system for vehicle braking

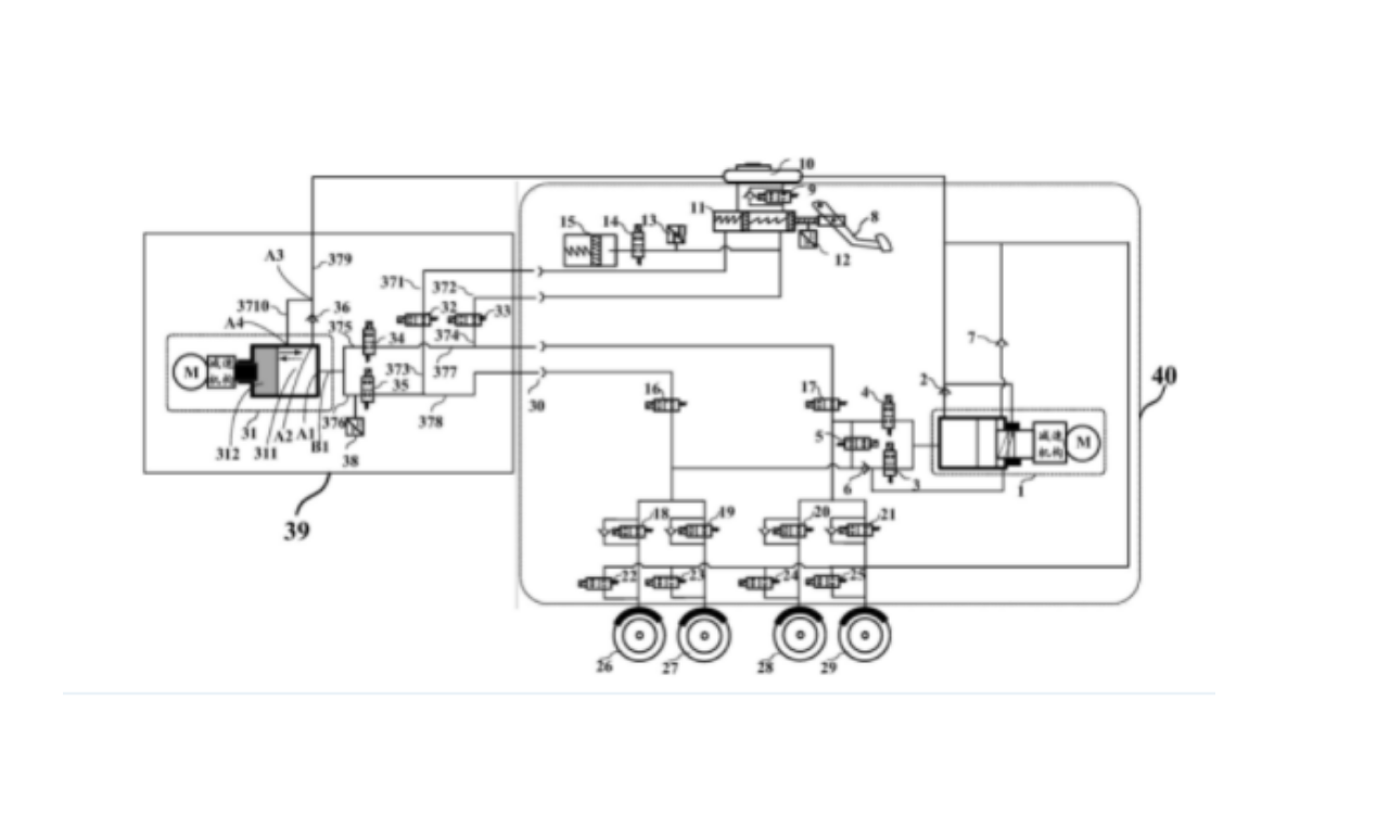
Huawei has obtained patent authorization for “a braking system for vehicle braking and an autonomous vehicle”. The information indicates that the present application relates to the technical field of autonomous driving, the system includes at least one wheel brake cylinder, the main brake module, an auxiliary brake module, and an electric linear pump. The system can provide long-term, high-precision redundant braking.

Specifically, the present application relates to the technical field of automatic driving, and in particular, to a braking system for vehicle braking. The system includes: at least one brake wheel cylinder; the main brake module for providing brake pressure to brake the vehicle; an auxiliary brake module including an electric linear pump, a first pipeline, and a second pipeline.

An electric linear pump includes a piston and a pump chamber; wherein the pump chamber is connected to the fluid reservoir through a second pipeline; when the piston moves away from the first interface, the pump chamber receives brake fluid from the fluid reservoir through the second pipeline, and the first interface is the interface between the pump cavity and the first pipeline.

Advertisement

(Via)

Min

Min En specializes in smartphone reviews, EMUI/HarmonyOS coverage, and mobile industry analysis. His in-depth knowledge of Huawei's ecosystem, from flagship devices to emerging technologies, makes him a trusted voice in the tech community.

Recent Posts

Why Your Huawei Phone WiFi Keeps Disconnecting (And How I Fixed It)

Okay, so you're sitting in your favorite café, scrolling through Instagram, and suddenly your WiFi…

2 months ago

Huawei Phone Not Charging? 9 Complete Fixes

Your Huawei phone won't charge. You plug it in, nothing happens. Before you panic or…

2 months ago

How to Unlock Huawei Phone: Key Methods Without Data Loss

Locked out of your Huawei phone? Don't panic. Whether you've forgotten your password, PIN, pattern,…

2 months ago

Huawei Phone Battery Drain Fix: Complete Troubleshooting Guide (2026)

Is your Huawei phone dying in just a few hours? You're not alone. Battery drain…

2 months ago

Huawei Mate 70 Air shows up in a promotional photo

Huawei is getting ready to release a new super-thin phone called the Mate 70 Air.…

6 months ago

Huawei Mate 80 series latest Information

Tipster Digital Chat Station has confirmed that the Chinese tech giant Huawei will release new…

8 months ago